×
[PR]上記の広告は3ヶ月以上新規記事投稿のないブログに表示されています。新しい記事を書く事で広告が消えます。
5月から東京出張が終わって実家に戻った。
今まではスペック的にギリギリのノートPCで頑張っていたが、
リソースが十分(だと思っていた)デスクトップに
オーディオの役割を委譲することになったのだが、問題が多発。
・電源スイッチが故障し、起動不可能になっていた。
リセットスイッチの配線を電源スイッチに代替してひとまず起動。
・マザーボードの電池切れのため、BIOS情報が壊れていた。
ボタン電池の交換とCMOSクリアでひとまずwindows起動。
・Pentium4のファン音が非常にうるさく、STAXやGRADOなどの開放型が
使い物にならない。
・24bit/96kHzのサウンドを再生すると、音がとぎれとぎれになる。
今まではスペック的にギリギリのノートPCで頑張っていたが、
リソースが十分(だと思っていた)デスクトップに
オーディオの役割を委譲することになったのだが、問題が多発。
・電源スイッチが故障し、起動不可能になっていた。
リセットスイッチの配線を電源スイッチに代替してひとまず起動。
・マザーボードの電池切れのため、BIOS情報が壊れていた。
ボタン電池の交換とCMOSクリアでひとまずwindows起動。
・Pentium4のファン音が非常にうるさく、STAXやGRADOなどの開放型が
使い物にならない。
・24bit/96kHzのサウンドを再生すると、音がとぎれとぎれになる。
上3つはともかく、音がとぎれとぎれになるのはオーディオ用途として論外。
CPU使用率やメモリ占有もそれほどではないのだが…
828mkIIの相性がどうやら悪い可能性が高い。
FireWire系のオーディオインターフェースを使用する場合、
IEEEのチップセットはTexus Instrument(T.I.)製が安心だ。
デスクトップはVIA製で、確かに、以前使っていたFireWire Audiophileとの相性も
いまいちだった記憶がある。
そもそも、当時のPCを作成したのは2002年ごろと、もう老朽化も仕方ないとして
改めてコンポーネントを見直すことにした。
(未だ健在で、828mkIIを通せば立派な音を鳴らすノートPCも2002年製なのだが…)
<CPU>

今人気のCore2Quad。最近発売されたQ9300。
音楽再生も確かにCPUパワーを使うのだが、おそらく相当オーバースペック。
Core2Duoでも良かったのだが、想定していた予算をかなり下回ったので
欲を出して購入した。
<マザーボード>

GIGABYTEのGA-73PVM-82H。
ベンダーがNVIDIAで、オンボードにGeForce7100を積んでいる。
…ということは別にあまり興味はなく(3Dを表示させることは皆無なので)
ただ単に安かったのでこれを選択。
あと、GIGABYTEのIEEE搭載マザーボードのほとんどは
T.I.チップセットを使っている。
<その他>

光学ドライブも新調。これも予算が予想より下回ったため欲を出した。
pioneerのDVR-S15J。
これの特徴は「静音ドライブ」と
「Pure Read」という、音楽CDの読み取りエラーを補正せずに
リトライ試行するというモードが付いていること。
ただ、よくよく読むとPure Readはリアルタイム再生のみ有効のようで
CDは必ずリッピングする私のようなユーザには不要だったか。
メモリも、オーバースペックな4GB搭載。
当初は8万円で予算を組んでいたのだが、
ふたを開けてみれば、だいぶ欲を出したにもかかわらず6万円超で済んだ。
マザーボードがIEEE搭載だったり強力なビデオを積んでいるため、
そのあたりの拡張を一切しないですんだためか。
<外観、PCケース>

フリーダムというメーカーのFPC-CMBBという型番のケース。
これも、単純に安かったという理由と、microATXであること、
また色も好みの青とだったので購入。
画像でやたら光っている部分は、ケース内の温度をリアルタイムで表示。
ウイルススキャンなどの過酷なタスクを組ませても
まったく温度が上がらない。通気性はなかなか良いようだ。
自作PCの風景もいろいろレポートしておくと、
誰かの役に立つだろうかと思ったが、
最小構成起動で手こずったため、心理的余裕がなかった。
ひとまず無事に起動できるようになって何よりである。

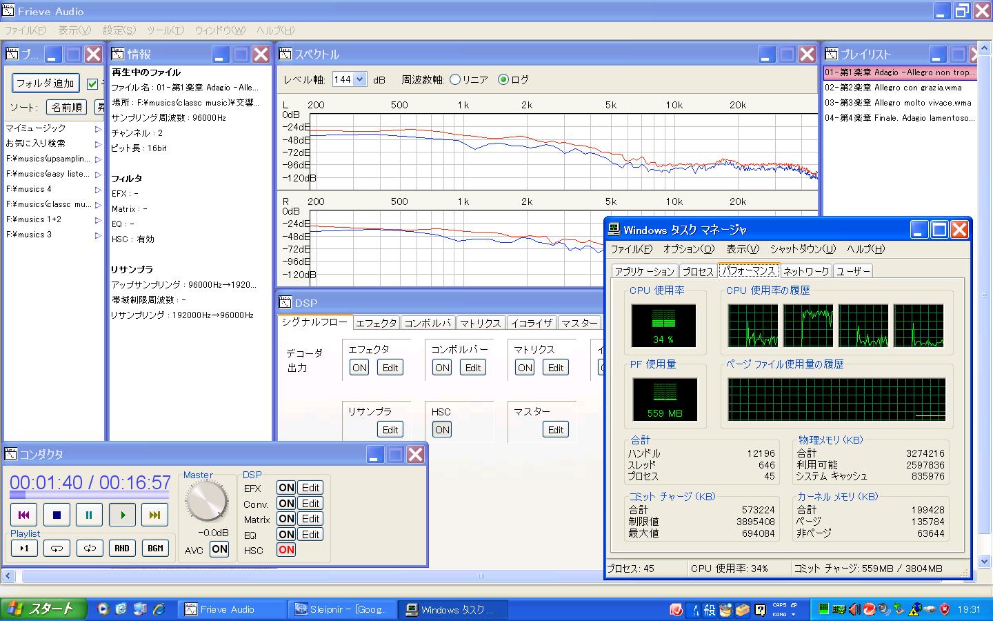
画像が小さくて分かりにくいと思うが、
タスクマネージャのCPU使用率の窓が4つになっているのがわかるだろうか。
上記は、Frieve Audioを使用し、HSCモード(高域補間)と
リアルタイムアップサンプリングとリサンプリングを施した状態。
CPU使用率は約30~40%。
再生ボタンを押してから音が鳴るまで10秒ほどかかるのと、
バックグラウンドでやや重いソフトを立ち上げると音が途切れるものの、
音楽再生だけならかなりの余裕がある。
Frieve Audioについては、別の機会にまた語るが、
HSCモードを使用した時の音の奥行の違いは圧倒的。
ただ、音がLilithやfoobarに比べると少々シャリ付いているように聞こえるのが
個人的にはあまり好みではない。
それは、アンプ側で改善可能と信じているので、
早くBalanced Homeが到着してほしいものである。
CPU使用率やメモリ占有もそれほどではないのだが…
828mkIIの相性がどうやら悪い可能性が高い。
FireWire系のオーディオインターフェースを使用する場合、
IEEEのチップセットはTexus Instrument(T.I.)製が安心だ。
デスクトップはVIA製で、確かに、以前使っていたFireWire Audiophileとの相性も
いまいちだった記憶がある。
そもそも、当時のPCを作成したのは2002年ごろと、もう老朽化も仕方ないとして
改めてコンポーネントを見直すことにした。
(未だ健在で、828mkIIを通せば立派な音を鳴らすノートPCも2002年製なのだが…)
<CPU>
今人気のCore2Quad。最近発売されたQ9300。
音楽再生も確かにCPUパワーを使うのだが、おそらく相当オーバースペック。
Core2Duoでも良かったのだが、想定していた予算をかなり下回ったので
欲を出して購入した。
<マザーボード>
GIGABYTEのGA-73PVM-82H。
ベンダーがNVIDIAで、オンボードにGeForce7100を積んでいる。
…ということは別にあまり興味はなく(3Dを表示させることは皆無なので)
ただ単に安かったのでこれを選択。
あと、GIGABYTEのIEEE搭載マザーボードのほとんどは
T.I.チップセットを使っている。
<その他>
光学ドライブも新調。これも予算が予想より下回ったため欲を出した。
pioneerのDVR-S15J。
これの特徴は「静音ドライブ」と
「Pure Read」という、音楽CDの読み取りエラーを補正せずに
リトライ試行するというモードが付いていること。
ただ、よくよく読むとPure Readはリアルタイム再生のみ有効のようで
CDは必ずリッピングする私のようなユーザには不要だったか。
メモリも、オーバースペックな4GB搭載。
当初は8万円で予算を組んでいたのだが、
ふたを開けてみれば、だいぶ欲を出したにもかかわらず6万円超で済んだ。
マザーボードがIEEE搭載だったり強力なビデオを積んでいるため、
そのあたりの拡張を一切しないですんだためか。
<外観、PCケース>
フリーダムというメーカーのFPC-CMBBという型番のケース。
これも、単純に安かったという理由と、microATXであること、
また色も好みの青とだったので購入。
画像でやたら光っている部分は、ケース内の温度をリアルタイムで表示。
ウイルススキャンなどの過酷なタスクを組ませても
まったく温度が上がらない。通気性はなかなか良いようだ。
自作PCの風景もいろいろレポートしておくと、
誰かの役に立つだろうかと思ったが、
最小構成起動で手こずったため、心理的余裕がなかった。
ひとまず無事に起動できるようになって何よりである。
画像が小さくて分かりにくいと思うが、
タスクマネージャのCPU使用率の窓が4つになっているのがわかるだろうか。
上記は、Frieve Audioを使用し、HSCモード(高域補間)と
リアルタイムアップサンプリングとリサンプリングを施した状態。
CPU使用率は約30~40%。
再生ボタンを押してから音が鳴るまで10秒ほどかかるのと、
バックグラウンドでやや重いソフトを立ち上げると音が途切れるものの、
音楽再生だけならかなりの余裕がある。
Frieve Audioについては、別の機会にまた語るが、
HSCモードを使用した時の音の奥行の違いは圧倒的。
ただ、音がLilithやfoobarに比べると少々シャリ付いているように聞こえるのが
個人的にはあまり好みではない。
それは、アンプ側で改善可能と信じているので、
早くBalanced Homeが到着してほしいものである。
PR
この記事にコメントする
カレンダー
| 11 | 2025/12 | 01 |
| S | M | T | W | T | F | S |
|---|---|---|---|---|---|---|
| 1 | 2 | 3 | 4 | 5 | 6 | |
| 7 | 8 | 9 | 10 | 11 | 12 | 13 |
| 14 | 15 | 16 | 17 | 18 | 19 | 20 |
| 21 | 22 | 23 | 24 | 25 | 26 | 27 |
| 28 | 29 | 30 | 31 |
簡易版機種別ショートカット
※各機種の関連記事にリンクします。
[STAX] 4070
[DENON] AH-D7000(balanced)
[audio-technica] ATH-W5000(balanced)
[audio-technica]
ATH-ESW10JPN
[ULTRASONE] edition9(balanced)
[GRADO] GS1000(balanced)
[GRADO] PS1000(balanced)
[SENNHEISER]
HD800(balanced)
[Victor] HP-DX1000
[AKG] K701(balanced)
[SONY] MDR-SA5000
[STAX] SR-007A
[audio-technica] ATH-ESW9
[STAX] SR-001MK2
[SONY MUSIC] MDR-CD900ST
[STAX] SR-404
[PHILIPS] SBC-HP1000
[HeadRoom] Balanced Home Amp
[STAX] SRM-007tA
[HeadRoom] Portable Micro Amp
[Mark Of The Unicorn] 828mkII FireWire
[PS Audio] Power Plant Premier
[岩井喬(書籍)]
新・萌えるヘッドホン読本(リンク集)
カテゴリー
コメントありがとうございます。
※
印は管理人返信済みです。
印は管理人返信済みです。[04/09 Caseyeverm]
[04/01 Dennistip]
[03/15 Williamteata]
[03/11 Galenunede]
[03/08 Richardrisse]
最新記事
(11/25)
(11/06)
(03/22)
(09/08)
(09/07)
リンク(ヘッドホン関係)
ブログ内検索
プロフィール
管理人:
誕生日(年齢):
1983/06/19(42歳)
近況メモ:
2016/11/25 - あっという間に時が流れ、このblogも開設から10年目。2016年はその締めくくりをしたく思っています。2000年代後半にハイエンドの虜になった、一人のマニアの軌跡です。
↓blog管理人直通メール↓
headphone.at.digi@gmail.com
※本blogはリンクフリーですが
事後でも連絡があると嬉しいです。
記事・画像の無断転用は遠慮下さい。
意見質問等はコメントorメールを。
カウンター
アクセス解析